Мы используем cookie для наилучшего представления нашего сайта. Подробнее об этом в Политике конфиденциальности.
Ок

Новочебоксарск

Ваш город:
Новочебоксарск (Республика Чувашия)?
Нет
Да
Каталог
Каталог Написать в WhatsApp
Мотоэкипировка

Двигатель (Часть 2) КВАДРОЦИКЛА AODES (ODES) 650 ATV-L

Двигатель (Часть 2) КВАДРОЦИКЛА AODES (ODES) 650 ATV-L в Нижнем Новгороде: актуальный каталог, цены, фото, описание. Купите двигатель (часть 2) квадроцикла aodes (odes) 650 atv-l в кредит – оформите заявку онлайн за 1 минуту!

Оригинальные запчасти

Артикул НАИМЕНОВАНИЕ Кол-во деталей в узле Примечание Наличие Цена Аналоги Фото
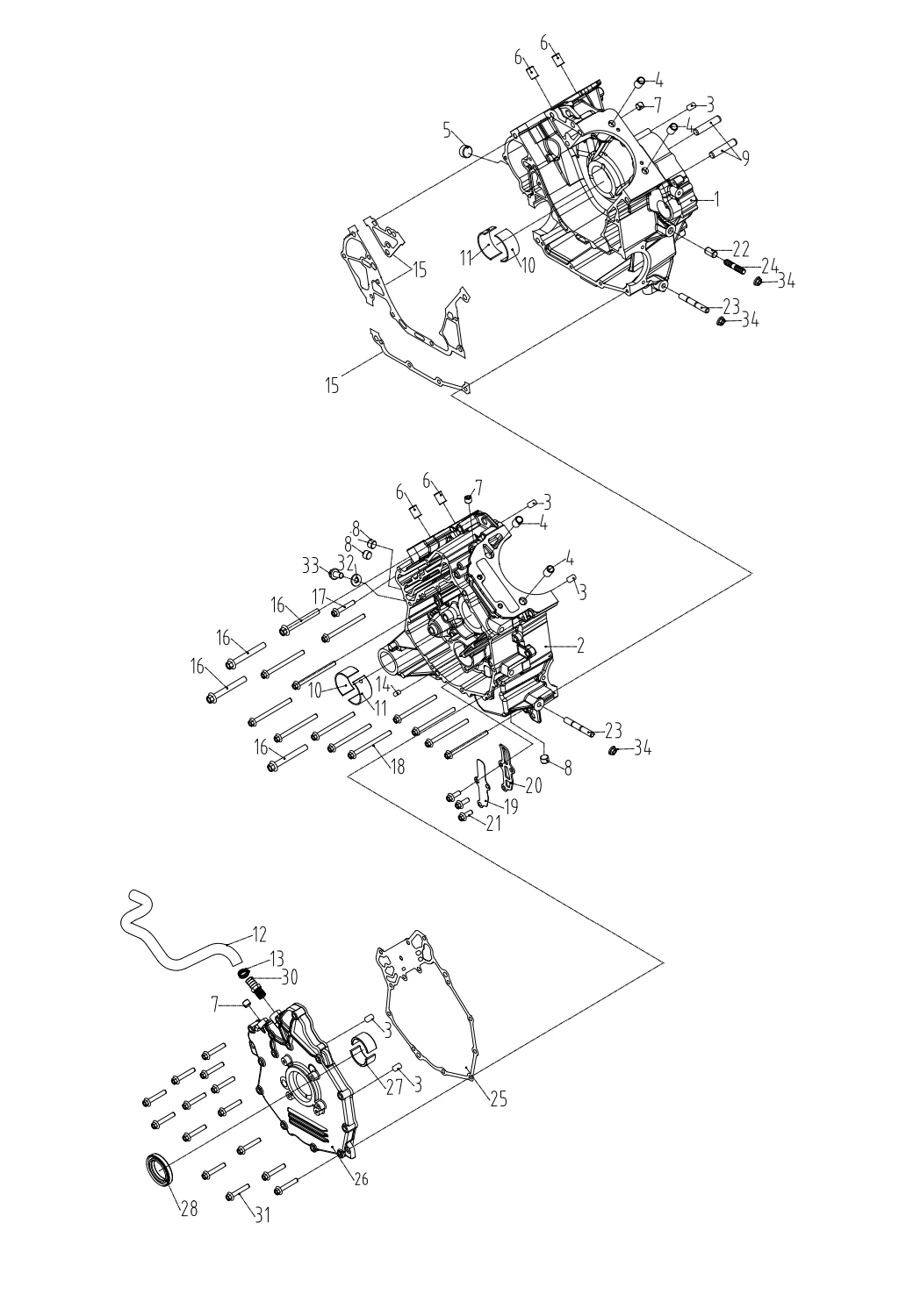
1 21040105202 Картер двигателя, правая половинка (650, 800 CC) AODES (ODES)

Под заказ

1
Менять вместе с 2104...
Менять вместе с 21040105301

Под заказ

уточнить

Купить
2 21040105301 Картер двигателя, левая половинка (650, 800 CC) AODES (ODES)

Под заказ

1
Менять вместе с 2104...
Менять вместе с 21040105202

Под заказ

уточнить

Купить
3 21040105401 Штифт цилиндрический 8*12 AODES (ODES)

Под заказ

5

Под заказ

уточнить

Купить
4 21040105502 Штифт цилиндрический 5*11 AODES (ODES)

Под заказ

4

Под заказ

уточнить

Купить
5 21040105601 Заглушка резьбовая AODES (ODES)

Под заказ

1

Под заказ

уточнить

Купить
6 90101120650 Штифт AODES (ODES)

Под заказ

8

Под заказ

уточнить

Купить
7 21040105701 Заглушка резьбовая AODES (ODES)

Под заказ

3

Под заказ

уточнить

Купить
8 21040105801 Заглушка резьбовая AODES (ODES)

Под заказ

3

Под заказ

уточнить

Купить
9 21040105901 Штифт AODES (ODES)

Под заказ

3

Под заказ

уточнить

Купить
10 21040106001 Вкладыш коренной (половинка A) AODES (ODES)

Под заказ

2

Под заказ

уточнить

Купить
11 21040106101 Вкладыш коренной (половинка B) AODES (ODES)

Под заказ

2

Под заказ

уточнить

Купить
12 21170102101 Трубка вентиляции картера двигателя AODES (ODES)

Под заказ

1

Под заказ

уточнить

Купить
13 21040403801 Хомут AODES (ODES)

Под заказ

1

Под заказ

уточнить

Купить
14 21040106301 Штифт 6*10 AODES (ODES)

Под заказ

1

Под заказ

уточнить

Купить
15 21040106401 Прокладка картера (650, 800 CC) AODES (ODES)

Под заказ

1

Под заказ

уточнить

Купить
16 01214080651 Болт с шестигранной головкой с фланцем М8*65 AODES (ODES)

Под заказ

4

Под заказ

уточнить

Купить
17 01224060351 Болт с шестигранной головкой с фланцем М6*35 AODES (ODES)

Под заказ

1

Под заказ

уточнить

Купить
18 01214060751 Болт с шестигранной головкой с фланцем М6*75 AODES (ODES)

Под заказ

12

Под заказ

уточнить

Купить
19 21040106501 Клапан лепестковый AODES (ODES)

Под заказ

1

Под заказ

уточнить

Купить
20 21040106601 Ограничитель клапана лепесткового AODES (ODES)

Под заказ

1

Под заказ

уточнить

Купить
21 01224060161 Болт с шестигранной головкой с фланцем М6*16 (01224060161)

Под заказ

3

Под заказ

уточнить

Купить
22 21040116001 Штифт цилиндрический 10*16 AODES (ODES)

Под заказ

1

Под заказ

уточнить

Купить
23 21040106801 Шпилька резьбовая (650, 800 CC) М8*62 AODES (ODES)

Под заказ

2

Под заказ

уточнить

Купить
24 21040100501 Шпилька резьбовая М8*45 AODES (ODES)

Под заказ

1

Под заказ

уточнить

Купить
25 21040106901 Прокладка крышки картера AODES (ODES)

Под заказ

1

Под заказ

уточнить

Купить
26 21040107001 Крышка картера (650, 800 CC) AODES (ODES)

Под заказ

1

Под заказ

уточнить

Купить
27 21040107101 Вкладыш коренной (одна половинка) AODES (ODES)

Под заказ

2

Под заказ

уточнить

Купить
28 21040107301 Сальник 34*52*8 AODES (ODES)

Под заказ

1

Под заказ

уточнить

Купить
29 21040107201 Штуцер AODES (ODES)

Под заказ

1

Под заказ

уточнить

Купить
30 01224060351 Болт с шестигранной головкой с фланцем М6*35 AODES (ODES)

Под заказ

14

Под заказ

уточнить

Купить
31 21040107401 Шайба алюминиевая М8 AODES (ODES)

Под заказ

1

Под заказ

уточнить

Купить
32 01224080161 Болт с шестигранной головкой с фланцем М8*16 AODES (ODES)

Под заказ

1

Под заказ

уточнить

Купить
33 04112080021 Гайка шестигранная, с фланцем М8 AODES (ODES)

Под заказ

3

Под заказ

уточнить

Купить

Нулевая цена не означает отсутствие товара. Оформите заказ, и менеджер сообщит вам цену и наличие товара, предварительно запросив их у поставщика

Главная Магазины
Корзина0
Профиль