Мы используем cookie для наилучшего представления нашего сайта. Подробнее об этом в Политике конфиденциальности.
Ок

Новочебоксарск

Ваш город:
Новочебоксарск (Республика Чувашия)?
Нет
Да
Каталог
Каталог Написать в WhatsApp
Мотоэкипировка

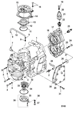
Блок цилиндров 2-х тактного ПЛМ MERCURY 25 М Серийный номер от 0N018456 до 0N055504

Блок цилиндров 2-х тактного ПЛМ MERCURY 25 М Серийный номер от 0N018456 до 0N055504 в Нижнем Новгороде: актуальный каталог, цены, фото, описание. Купите блок цилиндров 2-х тактного плм mercury 25 м серийный номер от 0n018456 до 0n055504 в кредит – оформите заявку онлайн за 1 минуту!

Оригинальные запчасти

Артикул НАИМЕНОВАНИЕ Кол-во деталей в узле Примечание Наличие Цена Аналоги Фото
1 815013T13 Блок цилиндров -только литье 25-30(CYLINDER BLOCK)

Под заказ

1

Под заказ

уточнить

Купить
2 8129602 FITTING-TELL-TALE

Под заказ

1

Под заказ

уточнить

Купить
3 9521814 PIN, Dowel

Под заказ

2

Под заказ

уточнить

Купить
4 166951 BOLT

Под заказ

8

Под заказ

уточнить

Купить
5 8M0106721 BOLT

Под заказ

2

Под заказ

уточнить

Купить
6 853696 Перепускной клапан (BLEED VALVE)

Под заказ

1

Под заказ

уточнить

Купить
7 812960006 Патрубок (NIPPLE)

Под заказ

1

Под заказ

уточнить

Купить
8 8129601 FITTING

Под заказ

1

Под заказ

уточнить

Купить
9 8M0064617 Фиттинг (FITTING-NIPPLE)

Под заказ

1

Под заказ

уточнить

Купить
10 8M0057112 HOSE

Под заказ

1

Под заказ

уточнить

Купить
11 898101272 HOSE, Rubber, Air Vent-Bottom Cowl

Под заказ

1

Под заказ

уточнить

Купить
12 853709 Уплотнительное кольцо (O RING)

Под заказ

1

Под заказ

уточнить

Купить
13 853707 Сальник (OIL SEAL)

Под заказ

1

Под заказ

уточнить

Купить
14 853708 UPPER END CAP

Под заказ

1

Под заказ

уточнить

Купить
15 853710 Блокировка стартера (TIMING PLATE)

Под заказ

1

Под заказ

уточнить

Купить
16 853711 GUIDE PLATE

Под заказ

1

Под заказ

уточнить

Купить
17 9630T02 CYLINDER HEAD

Под заказ

1

Под заказ

уточнить

Купить
18 8M0119224 Набор прокладок (+TH 346-01005-1 G)

Под заказ

1

Под заказ

уточнить

Купить
19 853705A01 COVER KIT

Под заказ

1

Под заказ

уточнить

Купить
20 853702005 Прокладка (+TH 346-01032-0D0)

Под заказ

1

Под заказ

уточнить

Купить
21 804540 Термостат (THERMOSTAT)

Под заказ

1

Под заказ

уточнить

Купить
22 8M0114740 Свеча зажигания (S PLUG B7HS @4)

Под заказ

2

Под заказ

уточнить

Купить
23 828942 Свеча зажигания (NGK BR7HS-10@10)

Под заказ

2

Под заказ

уточнить

Купить
24 898101927 SCREW

Под заказ

10

Под заказ

уточнить

Купить
25 8M0106725 WASHER

Под заказ

10

Под заказ

уточнить

Купить
26 16832 Болт M6x16 (BOLT)

Под заказ

1

Под заказ

уточнить

Купить
27 823913Q Анод (ANODE)

Под заказ

1

Под заказ

уточнить

Купить
28 8M0057113 Шланг (HOSE)

Под заказ

1

Под заказ

уточнить

Купить
29 853706 EXHAUST COVER

Под заказ

1

Под заказ

уточнить

Купить
30 812939018 Прокладка (GASKET)

Под заказ

1

Под заказ

уточнить

Купить
31 898103A79 SCREW/WASHER KIT, Includes Reference 22

Под заказ

9

Под заказ

уточнить

Купить
32 853712 Упорная пластина (THRUST RING)

Под заказ

2

Под заказ

уточнить

Купить
33 8537071 Сальник (OIL SEAL)

Под заказ

1

Под заказ

уточнить

Купить
34 8537072 Сальник (OIL SEAL)

Под заказ

1

Под заказ

уточнить

Купить
35 8537091 Уплотнительное кольцо (O RING)

Под заказ

1

Под заказ

уточнить

Купить
36 853713T END CAP LOWER

Под заказ

1

Под заказ

уточнить

Купить
37 8M0084273 Набор прокладок дв.блока (GASKET SET)

Под заказ

1

Под заказ

уточнить

Купить
38 853787A07 Двигательный блок в сборе 25-30(PH 25/30 2S(INTL))

Под заказ

1

Под заказ

уточнить

Купить

Нулевая цена не означает отсутствие товара. Оформите заказ, и менеджер сообщит вам цену и наличие товара, предварительно запросив их у поставщика

Главная Магазины
Корзина0
Профиль