Мы используем cookie для наилучшего представления нашего сайта. Подробнее об этом в Политике конфиденциальности.
Ок

Новочебоксарск

Ваш город:
Новочебоксарск (Республика Чувашия)?
Нет
Да
Каталог
Каталог Написать в WhatsApp
Мотоэкипировка

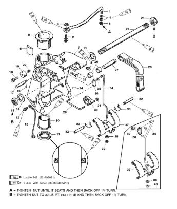
Поворотный кронштейн (Часть 1) 2-х тактного ПЛМ MERCURY 40 M Серийный номер от 0G055314 до 0G760299

Поворотный кронштейн (Часть 1) 2-х тактного ПЛМ MERCURY 40 M Серийный номер от 0G055314 до 0G760299 в Нижнем Новгороде: актуальный каталог, цены, фото, описание. Купите поворотный кронштейн (часть 1) 2-х тактного плм mercury 40 m серийный номер от 0g055314 до 0g760299 в кредит – оформите заявку онлайн за 1 минуту!

Оригинальные запчасти

Артикул НАИМЕНОВАНИЕ Кол-во деталей в узле Примечание Наличие Цена Аналоги Фото
1 19608A14 Рулевой комплект (Steering kit)

Под заказ

1

Под заказ

уточнить

Купить
2 823919 Болт (SCREW@5)

Под заказ

1

Под заказ

уточнить

Купить
3 71970 Шайба (WASHER)

Под заказ

1

Под заказ

уточнить

Купить
4 37828 Шайба (WASHER)

Под заказ

2

Под заказ

уточнить

Купить
5 826709113 Гайка (NUT-.375-24 NYL I)

Под заказ

2

Под заказ

уточнить

Купить
6 822397 Пилот-шайба (PUCK-CO-PILOT (NON HANDLE MODELS)

Под заказ

1

Под заказ

уточнить

Купить
7 827402T5 SWIVEL BRACKET

Под заказ

1

Под заказ

уточнить

Купить
8 827402T6 ORD3410-827402T 5

Под заказ

1

Под заказ

уточнить

Купить
9 8217711 Втулка (BUSHING)

Под заказ

1

Под заказ

уточнить

Купить
10 74036 Смазочный фиттинг (GREASE FITTING - EARLY STYLE)

Под заказ

3

Под заказ

уточнить

Купить
11 821777 Втулка (BUSHING)

Под заказ

1

Под заказ

уточнить

Купить
12 822404 Сальник (SEAL)

Под заказ

1

Под заказ

уточнить

Купить
13 88238A11 CABLE ASSEMBLY

Под заказ

1

Под заказ

уточнить

Купить
14 826164 NUT, (.875-14)

Под заказ

1

Под заказ

уточнить

Купить
15 26811 Шплинт-фиксатор (COTTER PIN)

Под заказ

1

Под заказ

уточнить

Купить
16 821799002 PIVOT PIN, Reverse Lock

Под заказ

1

Под заказ

уточнить

Купить
17 4008910 SCREW (M8 X 10)

Под заказ

1

Под заказ

уточнить

Купить
18 40011149 SCREW, (M8 x 25)

Под заказ

1

Под заказ

уточнить

Купить
19 822005 BOOT-RUBBER

Под заказ

1

Под заказ

уточнить

Купить
20 821784 SPRING

Под заказ

1

Под заказ

уточнить

Купить
21 19619 Шайба (WASHER)

Под заказ

1

Под заказ

уточнить

Купить
22 8M0041938 Трубка штока рулевого троса (TILT TUBE)

Под заказ

1

Под заказ

уточнить

Купить
23 8237011 DECAL-CO-PILOT

Под заказ

1

Под заказ

уточнить

Купить
24 821539 Шпонка (PIN-TRILOBE)

Под заказ

1

Под заказ

уточнить

Купить
25 823507 Втулка (BUSHING)

Под заказ

2

Под заказ

уточнить

Купить
26 822480 Штифт (PIVOT PIN (UPPER))

Под заказ

1

Под заказ

уточнить

Купить
27 8217751 STRAP-TILT STOP (NON POWER TRIM)

Под заказ

1

Под заказ

уточнить

Купить
28 821800 LINK-REVERSE LOCK (UPPER)

Под заказ

1

Под заказ

уточнить

Купить
29 8217981 Рычаг (LEVER-LOCK-RED)

Под заказ

1

Под заказ

уточнить

Купить
30 826578 PIN-REVERSE LOCK

Под заказ

2

Под заказ

уточнить

Купить
31 F366300 SPRING-REVERSE LOCK

Под заказ

2

Под заказ

уточнить

Купить
32 821805A1 ARM-REVERSE LOCK

Под заказ

1

Под заказ

уточнить

Купить
33 27882 WASHER

Под заказ

1

Под заказ

уточнить

Купить
34 F1669 NUT, (#6-32)

Под заказ

1

Под заказ

уточнить

Купить
35 8M0026107 Стопор (LINK-REVERSE LOCK)

Под заказ

1

Под заказ

уточнить

Купить
36 71055 Шайба (WASHER, REVERSE STOP SCREW)

Под заказ

1

Под заказ

уточнить

Купить
37 825181003 ARM-REVERSE LOCK

Под заказ

1

Под заказ

уточнить

Купить
38 8289861 *Упор-фиксатор (LOCK-REVERSE)

Под заказ

1

Под заказ

уточнить

Купить
39 826709106 Гайка #10-32 (NUT)

Под заказ

2

Под заказ

уточнить

Купить

Нулевая цена не означает отсутствие товара. Оформите заказ, и менеджер сообщит вам цену и наличие товара, предварительно запросив их у поставщика

Главная Магазины
Корзина0
Профиль