Мы используем cookie для наилучшего представления нашего сайта. Подробнее об этом в Политике конфиденциальности.
Ок

Новочебоксарск

Ваш город:
Новочебоксарск (Республика Чувашия)?
Нет
Да
Каталог
Каталог Написать в WhatsApp
Мотоэкипировка

Цилиндр и картер 2-Х ТАКТНОГО ПЛМ SEA-PRO T3Р

Цилиндр и картер 2-Х ТАКТНОГО ПЛМ SEA-PRO T3Р в Нижнем Новгороде: актуальный каталог, цены, фото, описание. Купите цилиндр и картер 2-х тактного плм sea-pro t3р в кредит – оформите заявку онлайн за 1 минуту!

Оригинальные запчасти

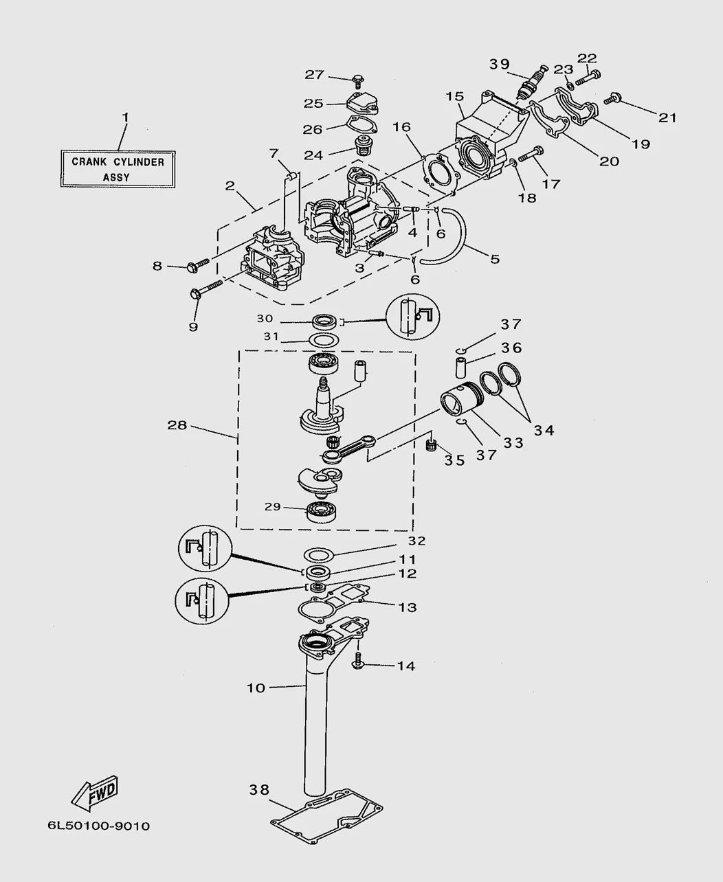
Артикул НАИМЕНОВАНИЕ Кол-во деталей в узле Примечание Наличие Цена Аналоги Фото
1 3MHS-02001 Блок цилиндра в сборе

Под заказ

1

Под заказ

уточнить

Купить
2 3MHS-02002 Блок цилиндра

Под заказ

1

Под заказ

уточнить

Купить
3 15FMH-02004 Трубка

Под заказ

1

Под заказ

уточнить

Купить
4 PNFM40E-02003 Штуцер

Под заказ

1

Под заказ

уточнить

Купить
5 5MHS-02013 Трубка вентиляции камеры сгорания L135

Под заказ

1

Под заказ

уточнить

Купить
6 15FMH-02011 Штифт

Под заказ

2

Под заказ

уточнить

Купить
7 3MHS-02009 Болт

Под заказ

2

Под заказ

уточнить

Купить
8 3MHS-02010 Корпус сальника колен вала

Под заказ

1

Под заказ

уточнить

Купить
9 5MHS-02039 Сальник коленвала

Под заказ

1

Под заказ

уточнить

Купить
10 3MHS-02012 Сальник колен вала нижний

Под заказ

1

Под заказ

уточнить

Купить
11 3MHS-02013 Прокладка блока двигателя

Под заказ

1

Под заказ

уточнить

Купить
12 3MHS-02014 Болт с шайбой

Под заказ

5

Под заказ

уточнить

Купить
13 3MHS-02015 Головка блока цилиндров

Под заказ

1

Под заказ

уточнить

Купить
14 3MHS-02016 Прокладка головы цилиндра

Под заказ

1

Под заказ

уточнить

Купить
15 3MHS-02017/18 Болт

Под заказ

3

Под заказ

уточнить

Купить
16 3MHS-02019 Крышка головы цилиндра

Под заказ

1

Под заказ

уточнить

Купить
17 3MHS-02020 Прокладка крышки головы цилиндра

Под заказ

1

Под заказ

уточнить

Купить
18 3MHS-02021 Болт с шайбой

Под заказ

1

Под заказ

уточнить

Купить
19 3MHS-02022/23 Болт с шайбой

Под заказ

2

Под заказ

уточнить

Купить
20 15FMH-02023 Термостат T15P (2-22)

В наличии

1

В наличии

2 500

3 580

Купить
21 3MHS-02025 Крышка термостата

Под заказ

1

Под заказ

уточнить

Купить
22 3MHS-02026 Прокладка крышки термостата

Под заказ

1

Под заказ

уточнить

Купить
23 3MHS-02027 Болт с шайбой

Под заказ

2

Под заказ

уточнить

Купить
24 3MHS-02028 Коленвал

Под заказ

1

Под заказ

уточнить

Купить
25 3MHS-02029 Подшипник коленвала

Под заказ

2

Под заказ

уточнить

Купить
26 5MHS-02039 Сальник коленвала

Под заказ

1

Под заказ

уточнить

Купить
27 3MHS-02031 Шайба коленвала

Под заказ

1

Под заказ

уточнить

Купить
28 3MHS-02032 Шайба коленвала

Под заказ

1

Под заказ

уточнить

Купить
29 3MHS-02033 Поршень 0.50MM O/S

Под заказ

1

Под заказ

уточнить

Купить
30 3MHS-02034 Кольца поршневые (комплект 2шт.)

Под заказ

1

Под заказ

уточнить

Купить
31 3MHS-02035 Игольчатый подшипник 15*12*14,5

Под заказ

1

Под заказ

уточнить

Купить
32 3MHS-02036 Палец поршневой

Под заказ

1

Под заказ

уточнить

Купить
33 5MHS-02045 Кольцо стопорное

Под заказ

2

Под заказ

уточнить

Купить
34 3MHS-02038 Прокладка поддона двигателя

Под заказ

1

Под заказ

уточнить

Купить
35 15FMH-02026 Свеча зажигания NGK B7HS-10

Под заказ

1

Под заказ

уточнить

Купить

Нулевая цена не означает отсутствие товара. Оформите заказ, и менеджер сообщит вам цену и наличие товара, предварительно запросив их у поставщика

Главная Магазины
Корзина0
Профиль