Мы используем cookie для наилучшего представления нашего сайта. Подробнее об этом в Политике конфиденциальности.
Ок

Новочебоксарск

Ваш город:
Новочебоксарск (Республика Чувашия)?
Нет
Да
Каталог
Каталог Написать в WhatsApp
Мотоэкипировка

Карбюратор 4-Х ТАКТНОГО ПЛМ SEA-PRO F5P

Карбюратор 4-Х ТАКТНОГО ПЛМ SEA-PRO F5P в Нижнем Новгороде: актуальный каталог, цены, фото, описание. Купите карбюратор 4-х тактного плм sea-pro f5p в кредит – оформите заявку онлайн за 1 минуту!

Оригинальные запчасти

Артикул НАИМЕНОВАНИЕ Кол-во деталей в узле Примечание Наличие Цена Аналоги Фото
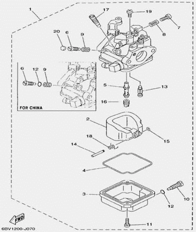
1 562-07001 Карбюратор

Под заказ

1

Под заказ

уточнить

Купить

Нулевая цена не означает отсутствие товара. Оформите заказ, и менеджер сообщит вам цену и наличие товара, предварительно запросив их у поставщика

Главная Магазины
Корзина0
Профиль